Product Summary
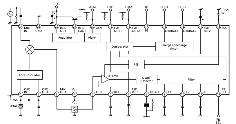
The TA31149FNG is a 4 level frequency shift keying compatibel IF detector IC for pagers. The TA31149FNG contains a 4 level FSK comparator and a bit rate filter switch. The TA31149FNG, which operates at low voltage, incorporates a battery alarm and RF regulator, reducing the number of external components.
Parametrics
TA31149FNG absolute maximum ratings: (1)power supply voltage:4V; (2)power dissipation:760mW; (3)operating temperature:-30℃ to 85℃; (4)storage temperature:-55℃ to 150℃.
Features
TA31149FNG features: (1)mixer operating frequency range:10MHz to 50MHz; (2)operating voltage range:1.1V to 3.5V; (3)current dissipation:1.5mA(typ.); (4)current dissipation at BS:0μA(typ.); (5)small package: SSOP 24pin(0.65mm pitch).
Diagrams

| Image | Part No | Mfg | Description | ![]() |
Pricing (USD) |
Quantity | ||||||||||||
|---|---|---|---|---|---|---|---|---|---|---|---|---|---|---|---|---|---|---|
![]() |
![]() TA31149FNG(EL) |
![]() Toshiba |
![]() RF Wireless Misc IF Detector |
![]() Data Sheet |
![]() Negotiable |
|
||||||||||||
| Image | Part No | Mfg | Description | ![]() |
Pricing (USD) |
Quantity | ||||||||||||
![]() |
![]() TA31002 |
![]() Other |
![]() |
![]() Data Sheet |
![]() Negotiable |
|
||||||||||||
![]() |
![]() TA31002A |
![]() Other |
![]() |
![]() Data Sheet |
![]() Negotiable |
|
||||||||||||
![]() |
![]() TA310PA100KJ |
![]() Ohmite |
![]() Thick Film Resistors - Through Hole 10watt 100K 5% |
![]() Data Sheet |
![]()
|
|
||||||||||||
![]() |
![]() TA310PA100KJE |
![]() Ohmite |
![]() Thick Film Resistors - Through Hole 10watt 100K 5% |
![]() Data Sheet |
![]()
|
|
||||||||||||
![]() |
![]() TA310PA100RJ |
![]() Ohmite |
![]() Thick Film Resistors - Through Hole 10watt 100ohm 5% |
![]() Data Sheet |
![]()
|
|
||||||||||||
![]() |
![]() TA310PA100RJE |
![]() Ohmite |
![]() Thick Film Resistors - Through Hole 10watt 100ohm 5% |
![]() Data Sheet |
![]()
|
|
||||||||||||
(China (Mainland))







